1、側邊藏縫
圖4是從圖2衍生出來的的一種藏縫方法,通過改變背倒的角度將縫留在側面,這種方法在公裝項目中很流行。不過這種藏縫方法對加工的精度要求高。
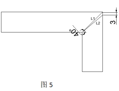
從圖5可以看出來通過將L1的角度由原來的45°調整為40°,使正面的縫轉為側面的縫,可以使粘接的縫效果更好。
2、底面藏縫
底面藏縫我認為是一種很好的藏縫方法。圖3的側面藏縫方法既是一種側面藏縫法,也是一種底面藏縫法。
如果圖6的藏縫演變為圖7,將粘接立板偏移2mm,藏縫的效果更好,而且可以不用對粘接面打磨拋光,省去了打磨拋光工序。
圖7的方法曾經成功地應用在土庫曼斯坦總統府酒店工程上,節省了大量的人工打磨拋光側面的工作。圖8是法國邊粘接的側邊藏縫。
3、抽槽藏縫
抽槽藏縫是通過對粘接板表面抽5*5的槽藏縫的工藝方法。通過抽槽消除粘接后粘接面的不平整,減少打磨拋光粘接表面。圖9抽槽藏縫 。
4、臺階藏縫
以臺階的方式粘接板材,通過將粘接縫隙放在臺階相交面處,從而把縫隱蔽起來。圖10為臺階藏縫。
5、偏移藏縫
把被粘接的板材從面板齊平之處往內偏移一定距離來藏縫的工藝方法。圖11,圖12偏移藏縫。
6、磨邊藏縫
7、鑲嵌藏縫
利用鑲嵌式方式藏縫的方法。做法是對線條的底面抽L型槽,把線條的槽與板材粘接在一塊的藏縫方法。
8、板材復合線條藏縫
因此用板材復合線條時要特別注意粘接縫的藏縫,使粘接縫隙不要出現在線條的正面上。文中上面的闡述的7點藏縫方法對線條復合的藏縫有很大的幫助。
圖18、圖19是同樣的線條兩種藏縫方法。我的看法是圖18方法優于圖19,因為圖19的藏縫法在側面有一條縫隙,而圖18的方法利用圖形的特點,將粘接縫放在了線條造型面處,與線條“渾然一體”了,很難看到粘接縫了。
作者:晏輝